
TRIAC
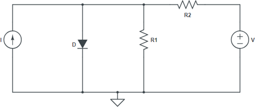
AIM- To study the VI Characteristics of TRIAC with positive and negative biasing and plot the curve between V and I. APPARATUS- NV6532 Charactersiitc Trainer, Patch Cord, Wires THEORY- A semiconductor device that is used to control the negative and positive half cycles is called “TRIAC”. The word “tri” indicates that the device has three […]








